1. Схема аудиосистемы
2. Схема управления двигателем
3. Схема управления двигателем
4. Схема запуска двигателя и зарядки
5. Схема подключения подушки безопасности
6. Схема системы кондиционирования
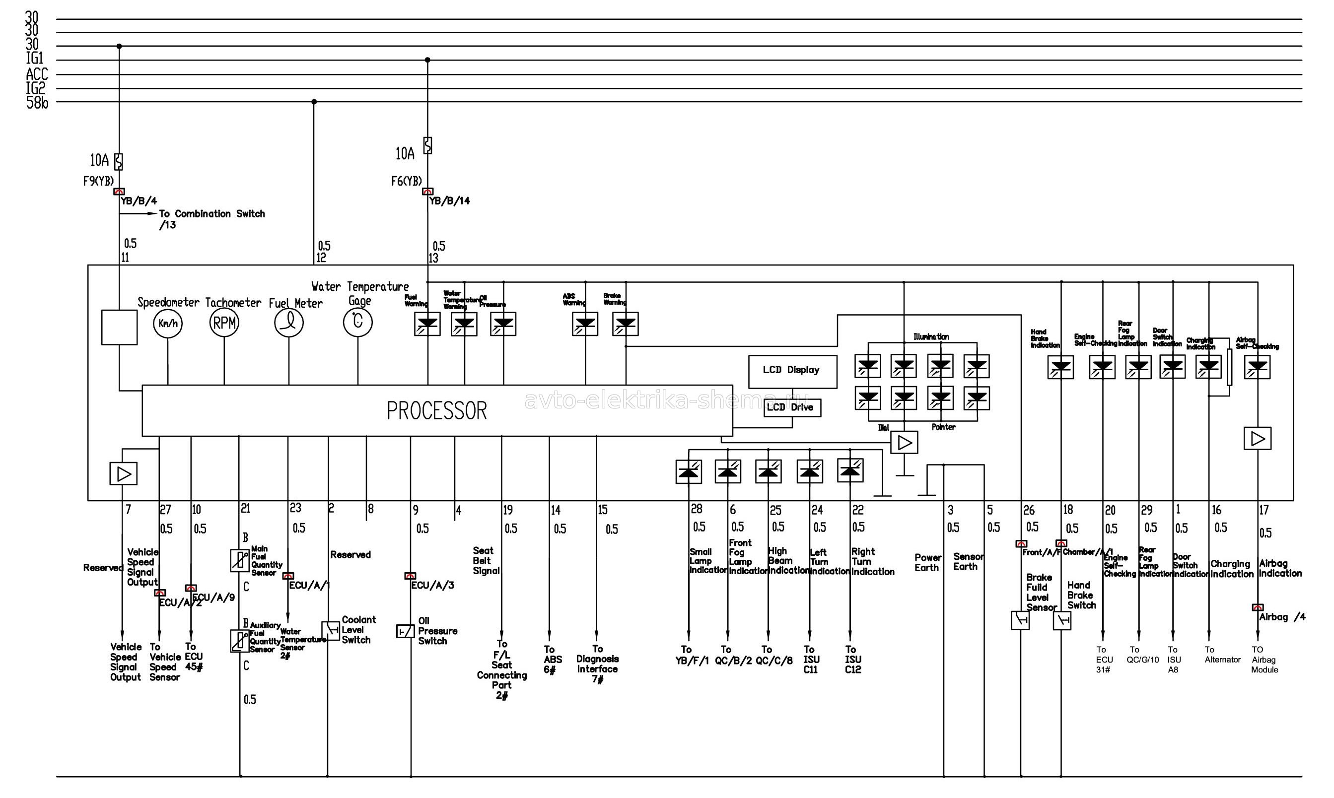
7. Схема комбинации приборов
8. Схема освещения
9. схема подключения блока комфорта
10. Схема стеклоочистителей
11. Схема стеклоподъёмников
12. Схема управления зеркалами заднего вида
13. Схема стоп-сигналов, ламп заднего хода, прикуриватель, звуковой сигнал, диагностический разъём, обогрев сидений

14. Схема АБС и люка
15. Схема блока предохранителей под капотом

16. Схема блока предохранителей в салоне















