Клапан продувки адсорбера и датчик неровной дороги
Клапан системы изменения длины впускного коллектора
Клапана системы рециркуляции отработавших газов
Схема АБС
Схема аварийной сигнализации
Схема аудиосистемы
Схема ближнего и дальнего света фар
Схема выключателя кондиционера
Схема габаритного освещения

Схема гидроусилителя руля с изменяемым усилием
Схема диагностического разъёма
Схема замка зажигания
Схема запуска двигателя и зарядки АКБ
Схема звуковых сигналов и освещения багажника
Схема зуммера
Схема иммобилайзера
Схема климат-контроля
Схема кондиционера без климат-контроля
Схема кондиционера с климат-контролем
Схема обогрева заднего стекла и боковых зеркал заднего вида
Схема освещения салона (вежливый свет)
Схема освещения салона
Схема подсветки приборов без регулятора яркости
Схема подсветки приборов с регулятором яркости
Схема противоугонной системы
Схема ПТФ
Схема с двумя электровентиляторами системы охлаждения двигателем
Схема сигналов торможения
Схема системы зажигания
Схема системы подушек безопасности
Схема стеклоочистителей 1 (без автоматического режима без климат-контроля)
Схема стеклоочистителей 2 (с автоматическим режимом без климат-контроля)
Схема стеклоочистителей 3 (без автоматического режима с климат-контролем)
Схема стеклоочистителей 4 (с автоматическим режимом с климат-контролем)
Схема топливоподачи
Схема управления двигателем (1 датчик кислорода)
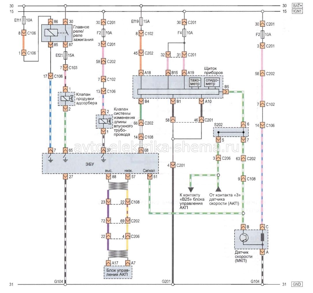
Схема управления двигателем (2 датчика кислорода)
Схема электрических цепей щитка приборов
Схема электровентилятора системы охлаждения двигателем
Схема электрокорректора фар
Схема электронных часов
Схема электропривода боковых зеркал заднего вида
Схема электропривода замков

Схема электропривода люка
Схема электропривода складывания боковых зеркал
Схема электростеклоподъёмников всех дверей
Схема электростеклоподъёмников передних дверей
Схема энергосберегающего блока
Электрические цепи контрольных ламп щитка приборов

















































