
В зимнее время года при дистанционном запуске двигателя есть риск испортить щётки, поводки или мотор стеклоочистителей если например выпало много снега или щётки примёрзли, такой сценарий возможен если вы накануне вечером приехали, а стеклоочистители были включены на прерывистый режим работы и в момент выхода из автомобиля они были на паузе, соответственно вы так этот переключатель и забудете перевести в нулевое положение. Поэтому нужно дополнить автосигнализацию реле для блокировки этого режима например при поднятом ручном тормозе. Тут схема простая, её можно реализовать даже без сигнализации. А вот перевод стеклоочистителей в верхнее положение при работающем двигателе, да ещё и тройным нажатием на кнопку метки это задачка уже не простая. Для чего нужна эта функция поднятия щёток? Для меня было нужно поднять щётки во время прогрева двигателя пока я чищу снег, так как под поводками накапливается лёд и с поднятыми щётками его удобно убирать. Некоторые оставляют в таком положении щётки чтобы они не примерзали, ещё в таком положении можно менять сами щётки на водительском поводке. Теперь посмотрим ниже простую штатную схему управления стеклоочистителями.
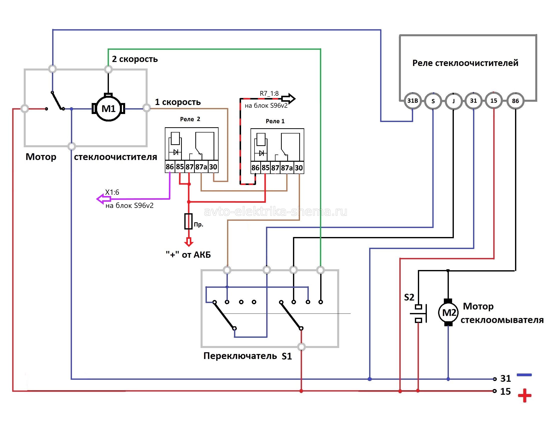
На большинстве автомобилей мотор стеклоочистителей не имеет электронной схемы управления и имеет две скорости, нам нужна только первая скорость, а вторую скорость вы точно не забудете выключить. Наша задача поставить реле с нормально замкнутыми контактами в разрыв провода на первую скорость и второе пятиконтактное реле. На следующей схеме добавим их.
На схеме эти реле обозначены как Реле 1 и Реле 2, блок сигнализации будет включать Реле 1 при включении зажигания, а при помощи Реле 2 блок подаст кратковременный импульс такой длительности, чтобы щётки остановились вертикально, причём при работающем двигателе напряжение выше на АКБ чем при выключенном зажигании на примерно на пару вольт, поэтому импульсы должны быть разные по времени. Далее переходим к примеру настройки и программированию автосигнализации Старлайн S96v2.
В каналах блока S96v2 и реле R7 назначаем отрицательные выходы управления Реле 1(R7_1:8 чёрно-красный провод) и Реле 2(X1:6 фиолетовый). Реле сигнализации R7 у меня вступает в работу только при включенном замке зажигании, поэтому есть небольшая задержка после включения замка зажигания пока блок S96v2 даст команду R7. Чтобы всё это заработало пришлось сделать 9 программ, так как в них есть ещё управление первым и вторым нажатием кнопкой метки, а третье только поднимет щётки стеклоочистителей. Если сделать управление только с мобильного приложения, то количество программ можно сильно сократить, но кнопкой на метке удобнее зимой, нажал три раза и готово.
Программа 1 включает Реле 1 при включении замка зажигания, затягивании ручного тормоза и при включении стартёра при АЗ/ДЗ, так как есть задержка у R7.
Программа 2 начнёт работать после тройного нажатия кнопки на метке, при работающем двигателе, сначала включится Реле 1, а через 3 секунды на Реле 2 подадутся импульсы 740 мс и щётки поднимутся вверх.
Программа 3 будет работать как предыдущая программа, но при выключенном замке зажигания, там подадутся только импульсы 1000 мс на Реле 2.
Программа 4 отпустит Реле 1 при нажатии педали тормоза или опускании ручного тормоза и стеклоочистители будут работать по штатной схеме.
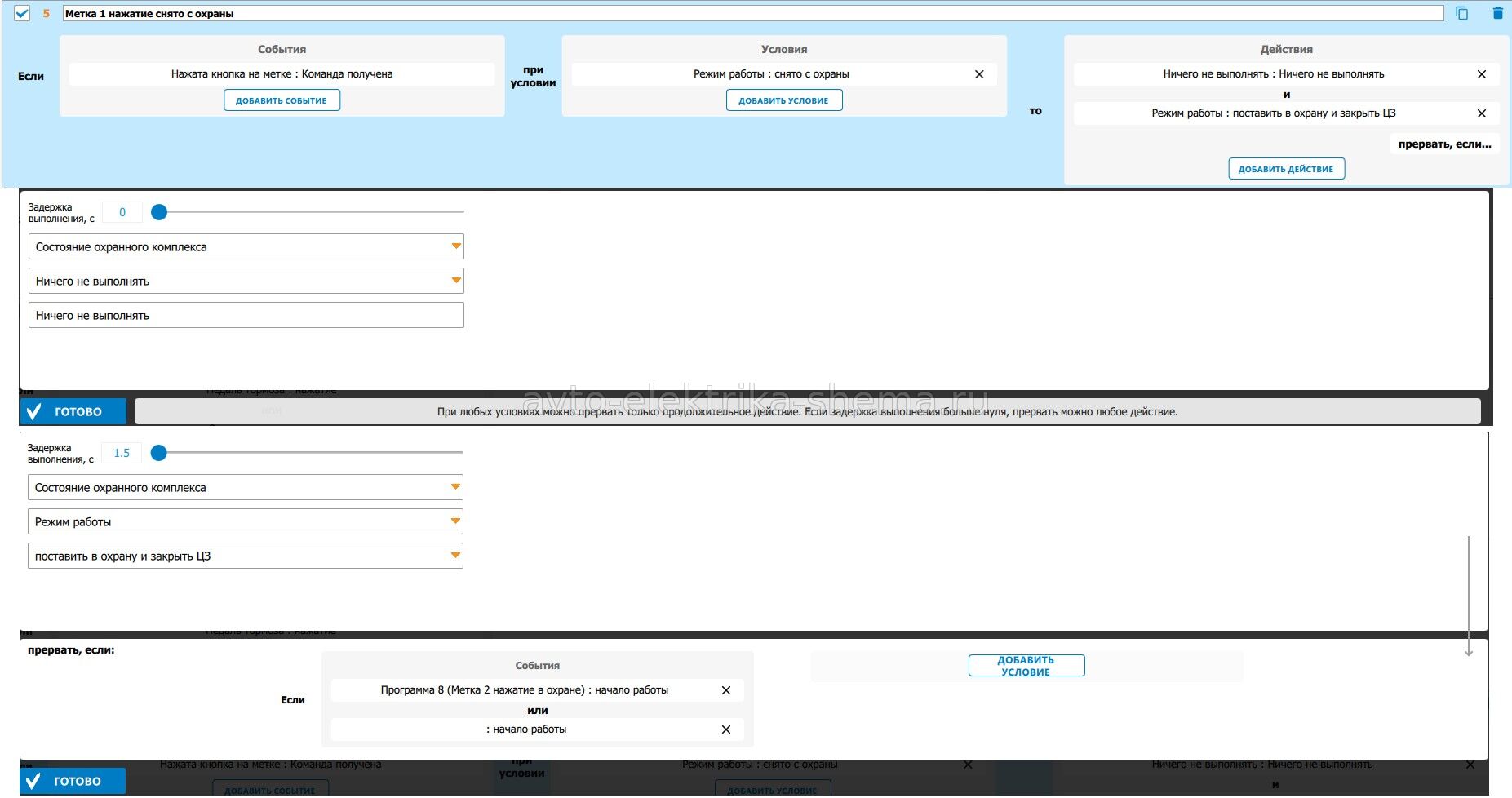
Программа 5 отвечает за первое нажатие кнопки на метке в режиме снято с охраны. Ставит в охрану и закрывает ЦЗ.
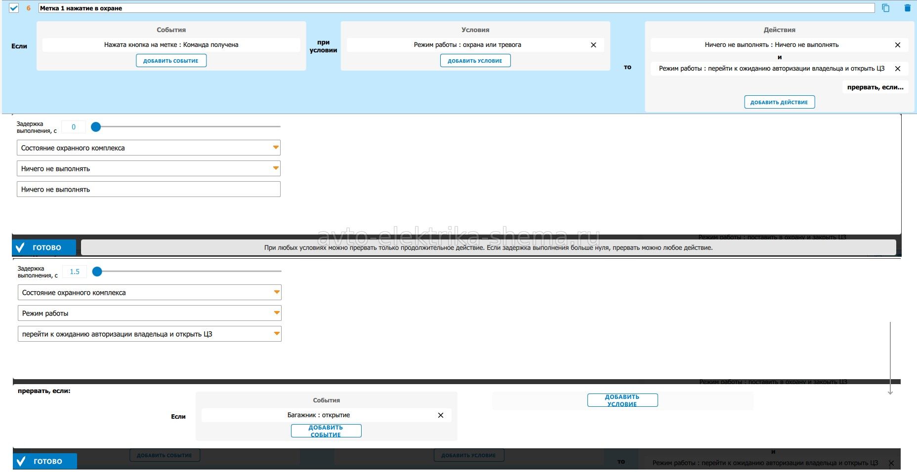
Программа 6 отвечает за первое нажатие кнопки на метке в режиме охраны и тревоги. Снимает с охраны и открывает ЦЗ.
Программа 7 отвечает за второе нажатие кнопки на метке в режиме снято с охраны. Открытие багажника.
Программа 8 отвечает за второе нажатие кнопки на метке в охране. Открытие багажника.
Программа 9 даёт команду для работы программ 2 или 3, в зависимости от включенного замка зажигания.
Таким образом удалось реализовать такое удобство в своём автомобиле. Пример работы схемы смотрите в видеоролике.









